
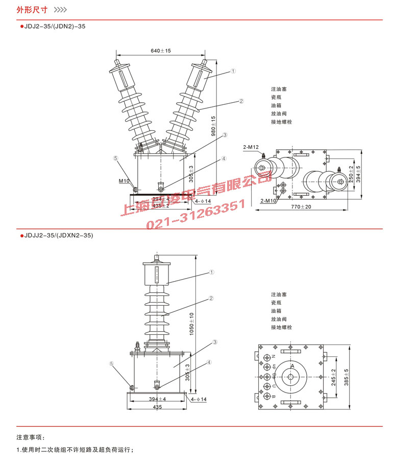
JDJJ(F)2-35(JDXN(F)2-35)油浸式電壓互感器由油箱及裝于其上的瓷套組成,油箱上有供 吊裝的吊攀,頂部與高壓瓷套連接。下油箱底部設有放油塞及接地螺栓和4-∮4mm安裝孔。產品油 箱上部的高壓瓷套頂部裝有儲油柜,互感器 儲油柜附有一次繞組A端出線端子(一次N端裝于二次接線盒內)。 固定在下油箱內的器身由鐵心和線圈組成。鐵心由條形硅鋼片疊成三柱式,中間心柱上套有線圈,緊 貼心柱的絕緣骨架上依次卷繞剩余電壓繞組、二次繞組、一次繞組,各繞組間用絕緣紙板隔開,產品 為全密封結構,能有效地防止絕緣的老化。 (特別說明:所用變壓器油為25號變壓器油)
| 產品 | 額定電壓比 | 準確級及額定輸出(VA) | 極限輸出(VA) | 額定絕緣水平(KA) | ||||
| 0.2 | 0.5 | 1 | 3 | 3P 6P |
||||
| JDJJ-35 | 35000/√3/100/√3/100/3 | 80 | 150 | 250 | 600 | 100 | 1200 | 40.5/90/200 |
| JDJJ1-35 | 35000/√3/100/√3/100/3 | 1000 | ||||||
1.安裝場所:
2.環境溫度-25℃~+40℃的范圍內,空氣濕度不大于85%;
3.海拔:海拔2500米以下使用;
4.安裝場所無腐蝕性的氣體。


⑴三相電壓指示不平衡:一相降低(可為零),另兩相正常,線電壓不正常,或伴有聲、光信號,可能是互感器高壓或低壓熔斷器熔斷;
⑵中性點非有效接地系統,三相電壓指示不平衡:一相降低(可為零),另兩相升高(可達線電壓)或指針擺動,可能是單相接地故障或基頻諧振,如三相電壓同時升高,并超過線電壓(指針可擺到頭),則可能是分頻或高頻諧振;
⑶高壓熔斷器多次熔斷,可能是內部絕緣嚴重損壞,如繞組層間或匝間短路故障;
⑷中性點有效接地系統,母線倒閘操作時,出現相電壓升高并以低頻擺動,一般為串聯諧振現象;若無任何操作,突然出現相電壓異常升高或降低,則可能是互感器內部絕緣損壞,如絕緣支架繞、繞組層間或匝間短路故障;
⑸中性點有效接地系統,電壓互感器投運時出現電壓表指示不穩定,可能是高壓繞組N(X)端接地接觸不良。
(6)懸浮電位放電,可能是穿芯螺栓和鐵芯連接松動,造成螺栓處于懸浮電位;金屬異物處于懸浮電位放電;絕緣支架螺母電位懸??;
(7)電弧放電,可以是串級繞組對鐵芯放電,絕緣支持架不良而放電;絕緣進水受潮;一次繞組末端未接地;
(8)過熱性故障